Si necesita ayuda, no dude en contactarnos.
Si tiene alguna pregunta adicional, por favor llame al +86-021-37566990 o complete el formulario de consulta.
Obtenga cuponesEl medidor de densidad (concentración) de inserción se instala directamente, lo que lo hace ampliamente aplicable para la medición de la densidad de fluidos en tuberías, tanques abiertos y contenedores cerrados. La densidad del fluido se determina directamente mediante la frecuencia de vibración de la horquilla vibratoria sumergida en el fluido. Un sensor de temperatura integrado proporciona compensación de temperatura.
Ámbito de aplicación
El medidor de densidad (concentración) de inserción realiza mediciones de densidad en línea y en tiempo real. Es adecuado para el control de procesos donde la densidad es el parámetro clave o para el control de calidad basado en el porcentaje de contenido sólido o el porcentaje de concentración. Las industrias típicas incluyen:
Petroquímica
Cervecería
Procesamiento de alimentos
Farmacéutica
Procesamiento de minerales (p. ej., arcilla, carbonato, silicato, etc.)
Las aplicaciones específicas incluyen:
Detección de interfases en tuberías multiproducto
Medición de la densidad de mezclas agitadas
Monitorización de punto final en recipientes de reacción
Detección de interfases en separadores
El sensor funciona según el principio de elemento vibratorio. El elemento sensor es la horquilla vibratoria sumergida. La vibración es excitada por un dispositivo piezoeléctrico fijado en un extremo de la horquilla, mientras que la frecuencia de vibración es detectada por un dispositivo piezoeléctrico secundario en el otro extremo. El circuito en la parte superior amplifica la señal.
La frecuencia de vibración varía con la densidad del líquido. Por lo tanto, la densidad del líquido se puede calcular con precisión mediante la siguiente fórmula:
D = K0 + K1T + K2T2
Donde:
D = Densidad no calibrada del medio medido (kg/m³)
T = Periodo de vibración (μs)
K0, K1, K2 = Constantes de calibración
|
Rango de medición |
0–2,5 g/cc (0–2500 kg/m3), 0~ 100,0 % |
|
Rango de calibración |
0–2,5 g/cc (0–2500 kg/m3), 0~ 100,0 % |
|
Precisión de la medición |
±0,001 g/cc (±1 kg/m3), ±0,5 % |
|
Repetibilidad |
± 0,001 g/cc (± 0,1 kg/m3) ±0,1 % |
|
Rango de temperatura de funcionamiento |
-50℃ ~ +150℃ |
|
Presión máxima de trabajo |
4mpa |
|
Rango de viscosidad del fluido |
0–2000 cP |
|
Coeficiente de temperatura |
Menos de 0,1 kg/m³/°C (±0,5 % después de la calibración) |
|
Influencia de la presión |
Despreciable |
|
Sensor de temperatura incorporado |
Sensor digital con compensación de temperatura |
|
Materiales mojados |
Acero inoxidable 316L, 2205, 2507, Hastelloy C, titanio, PTFE/PFA |
|
Recubrimiento de horquilla |
Estándar: PTFE o PFA |
|
Fuente de alimentación |
24 VCC, ≥50 mA |
|
Salida analógica |
4-20 mA, 0-1000 Hz, RS485 Modbus RTU HART |
|
Precisión de salida (a 20 °C) |
±0,1% de la lectura o ±0,05% de la escala completa |
|
Repetibilidad de salida (–40 °C a +85 °C) |
± 0,05 % FS |
|
Conexiones de proceso |
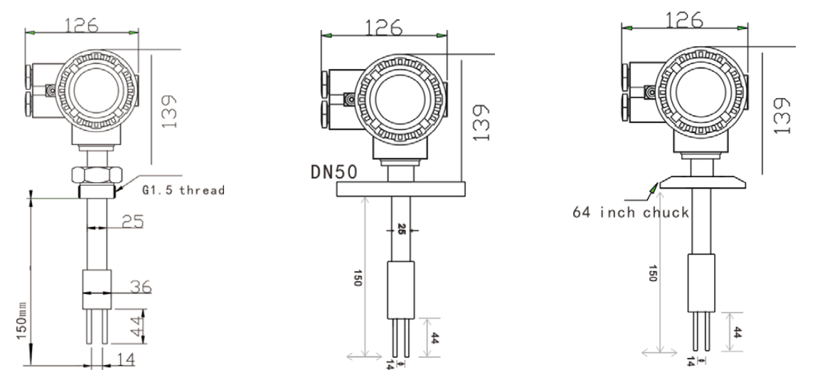
Rosca DIN 50 PN16 G1,5", abrazadera triple de 3", IDF y tipos sanitarios RJT |
|
|
Tipos sanitarios IDF y RJT |
|
Protección contra la entrada |
IP65 |
|
Material de la carcasa |
aleación de aluminio |



|
LF100C- |
A |
M |
L |
A |
1 |
D |
A |
A |
A |
M |
Detalles |
|
LF100C- |
|
|
|
|
|
|
|
|
|
|
Medidor de densidad resonante de diapasón serie LF100C (medidor de concentración) |
|
|
A |
|
|
|
|
|
|
|
|
|
Tipo estándar |
|
|
B |
|
|
|
|
|
|
|
|
|
Tipo a prueba de explosiones (Nivel de protección contra explosiones: Exd ia IIC T5 Ga; Grado de protección: IP65) |
|
|
|
M |
|
|
|
|
|
|
|
|
M20X1.5 |
|
|
|
G |
|
|
|
|
|
|
|
|
G1/2 |
|
|
|
N |
|
|
|
|
|
|
|
|
NPT1/2 |
|
|
|
C |
|
|
|
|
|
|
|
|
Otros (por favor especificar) |
|
|
|
|
L |
|
|
|
|
|
|
|
Tipo de conexión de proceso |
|
|
|
|
F |
|
|
|
|
|
|
|
Enhebrado (01)DN50 (02)DN80 (03)DN100 (04) Otros |
|
|
|
|
W |
|
|
|
|
|
|
|
Sanitario 1 = Abrazadera de 1,5"; 2 = Abrazadera de 2"; 3 = Abrazadera de 3"; 4 = Otros |
|
|
|
|
C |
|
|
|
|
|
|
|
Otros: Por favor especifique |
|
|
|
|
|
A |
|
|
|
|
|
|
01 = 128 mm (estándar) 02 = 150 milímetros |
|
|
|
|
|
B |
|
|
|
|
|
|
Extensión de varilla: 70 mm ~ 3000 mm (opcional) |
|
|
|
|
|
C |
|
|
|
|
|
|
Extensión de cable: 1 ~ 8000 mm (versión remota opcional) |
|
|
|
|
|
|
1 |
|
|
|
|
|
Acero inoxidable 316 |
|
|
|
|
|
|
2 |
|
|
|
|
|
Recubrimiento resistente a la corrosión: 316SS + PTFE |
|
|
|
|
|
|
3 |
|
|
|
|
|
Recubrimiento resistente a la corrosión: 316SS + PFA |
|
|
|
|
|
|
C |
|
|
|
|
|
1 = Acero inoxidable dúplex 2205 2 = Hastelloy 3 = Titanio 4 = Zirconio 5 = Otros |
|
|
|
|
|
|
|
D |
|
|
|
|
24 V CC ± 10 % |
|
|
|
|
|
|
|
|
A |
|
|
|
1 canal 4–20 mA 1 = Dos cables 2 = Cuatro cables |
|
|
|
|
|
|
|
|
B |
|
|
|
2 canales 4–20 mA (solo cuatro cables) |
|
|
|
|
|
|
|
|
C |
|
|
|
RS-485 (modbus) |
|
|
|
|
|
|
|
|
|
A |
|
|
Temperatura normal: 0–100 °C |
|
|
|
|
|
|
|
|
|
B |
|
|
Alta temperatura: 0–150 °C (disipador de calor de alta temperatura opcional) |
|
|
|
|
|
|
|
|
|
|
A |
|
Presión normal: 0,2–0,3 MPa |
|
|
|
|
|
|
|
|
|
|
B |
|
Presión máxima: ≤4 MPa |
|
|
|
|
|
|
|
|
|
|
|
M |
0—2,5 g / cm³ |
|
|
|
|
|
|
|
|
|
|
|
Y |
0-100% |
|
|
|
|
|
|
|
|
|
|
|
Z |
( ) Otros requisitos del usuario: Por favor especifique |
|
Nota: La tabla de selección es solo para la selección de parámetros. La configuración final se basa en los parámetros y los códigos correspondientes para la producción. |
|||||||||||
Shanghai Kayuan Electronic Technology Co., Ltd. es una empresa especializada en la producción e investigación y desarrollo (I+D) de sensores y controladores de fluidos industriales. Nuestros productos principales incluyen interruptores y sensores para medición de flujo, presión, temperatura y nivel de líquidos.
En el año 2008, establecimos nuestra planta de ensamblaje en Shanghái, China, para fabricar la serie de productos de PAKU. Adoptamos tecnología avanzada y procesos de fabricación modernos en todas nuestras operaciones. Gracias a nuestra tecnología de diseño y producción profesional, completa gama de productos, excelente calidad y red de servicios de ventas, podemos ofrecer a los usuarios no solo soporte técnico profesional y oportuno, sino también servicios integrales de alta calidad.
La empresa ha establecido diversos departamentos, como compras, I+D, gestión de calidad, finanzas, ventas, servicio postventa, oficina general, laboratorio, sala de archivo, taller de calibración, taller de producción, área de inspección, zona de almacenamiento, área de envío y una sala de descanso para tomar té, con el objetivo de proporcionar productos de excelente calidad y servicios sinceros.
Adherimos al concepto centrado en el cliente de crear valor para los mismos. De acuerdo con las necesidades del sector industrial de nuestros clientes, actualizamos continuamente nuestra tecnología y optimizamos nuestros servicios, con la visión de convertirnos en líderes en el campo de la automatización de procesos.
Los productos de PAKU se utilizan ampliamente en diversas industrias, incluyendo equipos completos de automatización, equipos petroleros, equipos químicos, equipos eléctricos, equipos de soldadura, equipos siderúrgicos, equipos metalúrgicos, industria automotriz y tratamiento de aguas. Hemos servido a numerosos clientes tanto nacionales como internacionales, y nuestros productos se exportan a países como Canadá, Estados Unidos, Brasil, Indonesia, Vietnam, Tailandia y Rusia.
En el cada vez más competitivo mercado global del futuro, PAKU continuará sirviendo, como siempre lo ha hecho, a una amplia gama de clientes nacionales e internacionales con calidad excepcional, precios razonables y competitivos, entregas puntuales y un servicio postventa perfecto. Damos la bienvenida a una amplia cooperación con clientes OEM (fabricantes de equipos originales) y ODM (fabricantes de diseño original).